비교용 KSAE 브레이크등
가로 16개*세로 4줄, 퓨즈, 저항 등 달려있음
LED후보
1. https://www.devicemart.co.kr/goods/view?no=14900093
forward voltage=2.4V, 638nm, 100mcd, Forward current IF=20mA, 160원, view angle=120’
2. https://www.devicemart.co.kr/goods/view?no=15190047
forward voltage=1.9V, 626nm, 90mcd, forward current IF=20mA, 600원, view angle=170’
3. https://www.devicemart.co.kr/goods/view?no=15190050 :일단 1차 간택..
이유: 12V에 연결할 때 전류가 낮아서 병렬 라인 가장 적게 따도 됨
forward voltage=1.8V, 625nm, 40mcd, forward current IF=2mA, 360원, view angle=140’
DC forward current=30mA(최대)
작년 브레이크등 mcd 확인/측정 후 3번 LED모듈 사용해도 되는지 확인
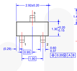
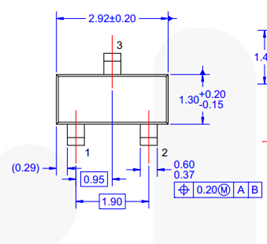
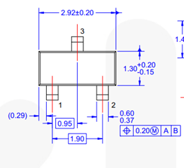
선정: https://www.devicemart.co.kr/goods/view?no=14047561
저항값 정하기
R1 = {Vcc-(V_F LED*LED개수)-VF DS } / ( IF_LED * 0.7 ) //0.7은 LED공급전류의 디레이팅 고려
- 20mA짜리 사용할 경우
= { 12 – ( 2.4 * 4 ) – 0.5 } / 20mA = 1.9 / (20mA = 135옴
- 2mA짜리 사용할 경우
R1 = { 12 – ( 1.8 * 6 ) – 0.5 } / IF_LED = 0.7 / 1.4mA = 50옴
전류 증폭용 BJT
부품: 2n2222(DIP패키지) - MMBT2222A(SMD패키지)



BJT
IC=39.469mA < 1A (마진 2배 뒀을 때 충분)
전압: 다 mV단위. 충분함
전력도 40W까지는 충분할 것으로 예상 ( V_CE * I_C = 40V * 1A = 40W ), 7.6mW << 40W
전력 최대:

BJT 510ohm 저항이 36mW -> 1206규격 사용 시 매우 여유있음


필요한 소자 정리
https://www.devicemart.co.kr/goods/view?no=1378333 : MMBT2222A ( 사용1개, 여유분n개, 40원)
https://www.devicemart.co.kr/goods/view?no=15190050: LED (100개 -> 24000원)
칩저항: 있는걸로…. (?)
<최종>
https://www.devicemart.co.kr/goods/view?no=14047561

전류 증폭용 BJT
부품: 2n2222(DIP패키지) - MMBT2222A(SMD패키지)



IC=269mA < 1A (마진 4배 정도)
전압: 다 mV단위 (1V이하) -> 충분
전력도 40W까지는 충분할 것으로 예상 ( V_CE * I_C = 40V * 1A = 40W ), 33mW << 40W
270ohm 저항 * 16개

P=76mW. 1206사이즈: 0.25W > 0.076W (마진 2배 이상)
510ohm 저항

P=35mW. 1206사이즈: 0.25W > 0.035mW (마진 2배 이상)

pspice시뮬 결과 ㅠ


LED = 저항 = 12062


키캐드 회로도
